The office chain OCO.20 is a simple energy supply system for the office. It has no defined radius and can be moved in two directions. It can also be shortened or lengthened very easily. The mounting brackets look very similar to the chain links and differ in the built-in magnets with which the OCO can be easily attached to a metal desk. A screw connection for desk fitting is also possible, for which two small holes are provided.
The opening according to the easy principle is not in the middle, but staggered to the side. By installing the chain links alternately, the slots are staggered, which ensures that the cables can be easily inserted but at the same time cannot fall out.
Built-in magnets for easy attachment to metal desks
Screw connection also possible as an option
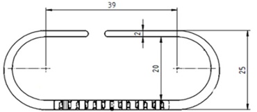
| Part No. | Inner height | Outer height | Inner width | Outer width |
|---|---|---|---|---|
| OCO.20 | 20 mm | 25 mm | 39 mm | 64 mm |
Magnetic assembly clips for free intermediate connection and easy clipping on the chain
Easy design - for simple and fast filling. Approximately +/- 10° torsion per chain link
Discover here further e-chains news 2020 for different applications.
All the information you need about our new products and additions to the product range in the free catalogue.
Very different installation spaces and environments. Large product selection – find the right solution at once. With a 36-month guarantee.
